聯系我們
18903178757
- 地址:
- 河北省泊頭市富鎮開發區
- 傳真:
- 0317-8041117
- Q Q:
- 28505225
ZX型機械振打袋式除塵器
ZX型機械振打袋式除塵器簡介
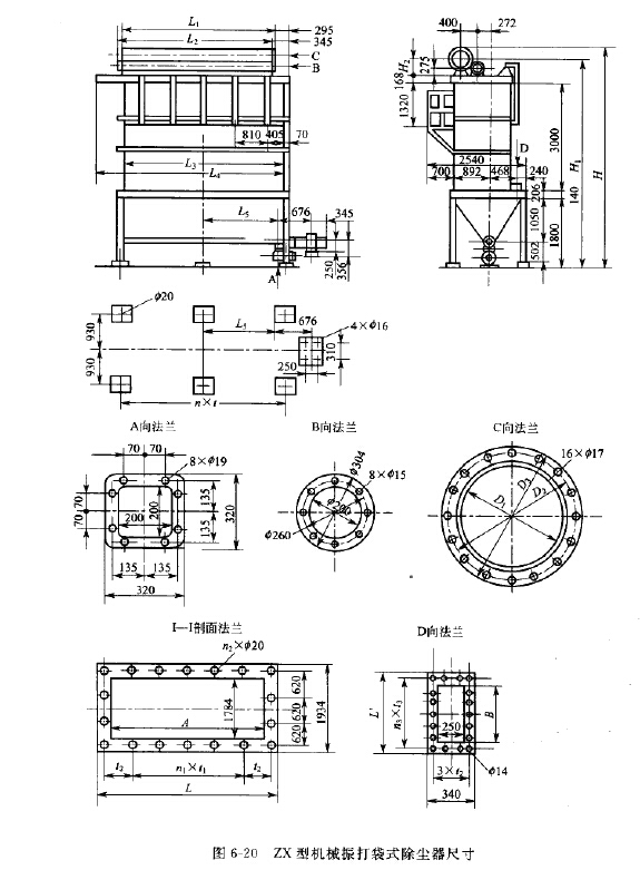
ZX型機械振打袋式除塵器是采用中部機械振打方式清灰,如圖6-19所示?規格有28 條、42條、56條、7Q條、84條、SS條、112條和1別條濾袋共S種。其技術性能見表 6-30,規格見表6-31,尺寸見圖6-20和表6-32.




上一篇:低壓噴吹脈沖袋式除塵器
下一篇:對噴式脈沖袋式除塵器

